
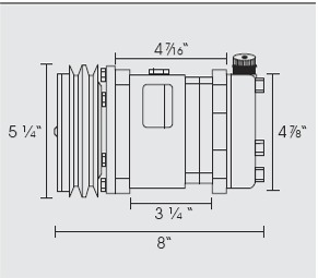
A.C. Compressors:
Our brackets are designed for the popular Sanden 508 AFTERMARKET compressor. These compressors are used by all of the specialty vehicle air conditioner companies. Most of these companies use our brackets as standard equipment with their air conditioning systems. The Sanden part numbers for the 508 compressors are: V-groove Freon 12-9285 V-groove Freon 134-4509 Serpentine Freon 12-9537 Serpentine Freon 134-4514 Aftermarket Sanden 510 and 709 compressors, while not commonly used, will also fit our brackets. Although some factory air systems use Sanden style compressors, THESE WILL NOT WORK with our brackets.

Power Steering Pump
Chevrolet first used the attached reservoir pump in 1961 and they are still in use today in a few
applications. There are a large number of pumps available that will work with all of our power steering pump brackets. Any pump with two attachment points on the back of the canister from a small block, big block – long or short water pump, and some six cylinder may be used with the correct Chevrolet V8 power steering pump pulley. There are two basic Saginaw power steering pumps. Early pumps have a nut retained pulley with a 5/8” diameter key-wayed shaft and the later pumps have a press fit pulley with a ¾” diameter shaft. Low pressure return lines vary on where they enter the rear of the reservoir and the direction that they point. High pressure hose fittings also vary on the Saginaw power steering pumps (Male flare, inverted flare or metric O-ring). Hose fittings may be interchanged from pump to pump to create different combinations of reservoirs and fittings. Our bracket kits are furnished with a detailed information sheet on pump applications.

TYPE 2 REMOTE RESERVOIR PUMP
General Motors, in the early 1980’s, started using
the type 2 metric pump on a variety of cars. These
pumps have a 17MM shaft for use with an
aftermarket (press fit) aluminum V-groove or
serpentine pulley. Type 2 pumps run 1000 to 1100
PSI., but pressure may be decreased with a flow valve
shim kit. Our bracket kits are furnished with a
detailed information sheet on pump applications.
This article provided by Alan Grove Components. For more information: Alan Grove Components