| INSTALLING A BATTERY DISCONNECT Story & Photos By Jim Clark (The Hot Rod MD) | |
| Protecting your vehicle from would-be thieves can be a real challenge. If it is locked up in your garage and protected by a sophisticated alarm system then it will be pretty secure. However once the vehicle leaves those safe confines it becomes very vulnerable. Enclosed trailers and alarm systems offer some security but when the vehicle sits out at an event unattended or in front of a motel that is when it is at its highest risk level.An alarm system will alert you to the fact that someone is messing with it but one of the best ways to stop them from hot wiring it and driving it away is a battery disconnect system. The master disconnect is designed to disconnect the battery from the vehicle’s electrical system. There are a number of manual disconnects that have a key or switch that opens or closes the circuit between the battery and starter. These work well but for a more convenient system I chose to use Painless Performances solenoid disconnect operated by a remote mounted momentary push-button switch.Pushing the button activates the solenoid closing the circuit between the battery and the starter. Unlike the manual systems the solenoid operated system supplies continuous power to those systems that must not be disconnected. For modern vehicles with elaborate electrical systems this is imperative. Since the switch is mounted in a secure and obscure place only the owner knows how to connect the system.In addition to the security that the system supplies another benefit offered is the ability to disconnect the battery when the vehicle is sitting in your garage. Over time batteries lose their charge even when they are not being used. Disconnecting the battery from the system will minimize the drain and a small maintenance charger can keep it at the ready for when you decide to fire it up.Shown here is the installation of the battery disconnect system on my ’32 Ford highboy roadster. The location of the activating switch is not shown, as this would defeat the purpose of hiding it in an undisclosed spot. | |
![]() | This remote master disconnect system kit from Painless Performance utilizes a solenoid and remote mounted momentary push-button switch to break the circuit between the battery and the vehicles electrical system. It also has a feature that allows for continuous power to the systems that cannot be disconnected without losing stored essential data. The 10-amp fuse protects that system. |
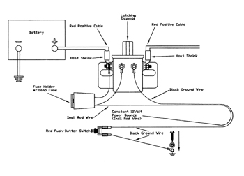
| Wiring diagram supplied in the kit shows how everything should be connected. The kit places a disconnect solenoid in the hot lead from the battery to the starter with a switch to activate/deactivate the solenoid. | ![]() |
![]() | A mounting plate for the solenoid was designed and cut out of aluminum plate. Then punched and drilled for the mounting hardware. Solenoid and fuse holder could be mounted to the fenderwell or a body panels instead. |
| Holes in the finished plate provide for the mounting of the solenoid, fuse holder and attachment to the car. | ![]() |
![]() | A body support upright was chosen as the most convenient location for the solenoid and holes were drilled to accommodate mounting. |
| Access behind the trim panel that will line the trunk will be limited so threaded nut-inserts are installed in the mounting holes. The inserts install similarly to a pop-rivet but with different holding tips in the installation tool. | ![]() |
![]() | Mounting plate is installed onto the upright using hex-bolts and lock washers. |
| Solenoid is bolted to the plate with the hardware provided. | ![]() |
![]() | Fuse holder with the 10-amp fuse is mounted to the plate with the self-tapping hex-head screw and star washer provided. Red wire in the coil of wires atop the battery box gets routed to any accessories requiring a constant 12-volt power source when the solenoid is in the off position (e.g. radio, clock/memory, FI computer or interior lights). Black wire is routed to the solenoid activation switch. |
| Power cable to the starter from the battery positive terminal is cut, a terminal end added and shrink-tubing applied; then connected to the output side of the solenoid. A terminal end and shrink-tubing is installed on the short end of the severed cable coming from the battery; then connected to the input side of the solenoid. | ![]() |
![]() | A suitable mounting bracket should be created to provide for mounting the activation/deactivation switch in a hidden, but accessible location. That could be under the dash, under the hood or even in the trunk. It should be located in a place convenient for your use but not obvious to would-be thieves. |
| The activate/deactivate switch is a push-button momentary switch that connects or disconnects the circuit to ground. A momentary toggle switch could be used instead to accomplish the same task. Black wire from solenoid connects to one side of the switch; black pigtail connects to body ground. | ![]() |
![]() | The finished installation creates a means of disconnecting the battery from the vehicles electrical system. The solenoid is designed to carry up to 110-amps continuously (200-amp surge) when energized. Aluminum cable/hose clamps are used to hold the cables in place. |
VIP Sponsors
Sponsors












