Edit Hotrod MD Article Selecting Rod Ends Story & Photos By Jim Clark (The Hot Rod MD)
Suspension kits and linkage for carbs or shifters are usually supplied with the appropriate rods ends for the application. However, if you are modifying the suspension or creating your own linkage you will have to choose the correct rod end for that application. This would seem like a simple task but the consequences of choosing the wrong one can be life threatening. Failure of a rod end in linkage may only leave the vehicle stuck in gear or the throttle inoperative, but failure in a suspension component could send the vehicle out of control.
The first choice to make is whether you want to use a standard OEM style tie rod end or a spherical rod end.
The standard OEM style rod ends are available in steel and stainless steel construction; the stainless version in a sealed (not need greasing) configuration. They have a threaded shank and a tapered stud on the pivoting portion of the joint. These are usually used for tie rod, drag link and split wishbone applications.
![]() | ![]() |
| The standard OEM style rod ends are available in steel and stainless steel construction; the stainless version in a sealed (not need greasing) configuration. They have a threaded shank and a tapered stud on the pivoting portion of the joint. These are usually used for tie rod, drag link and split wishbone applications. | Ford style tie rod end and steering arm with a tapered hole. |
![]() | |
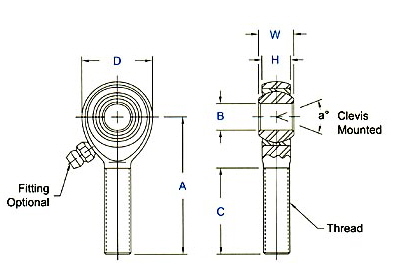
| This diagram shows how to measure for a tie rod or drag link | |
![]() | Speedway Weld Bungs Weld bungs for splitting wishbones. Choose from RH or LH thread. Thread sizes available include: 5/8″-18, 11/16″-18, and 3/4″-16. These weld bungs are 1” O.D. where they slide into the steel 1″ I.D. tubing |

Cutting and changing the angle at the front of this split wishbone to accommodate an increase in kingpin angle shortened it. This necessitated adding some length to the other end at the frame attachment point.
![]() | ![]() |
| To add length to the split wishbone a Speedway weld-on bung was modified by cutting off the stepped end and beveling the edges for welding. A rod end was installed to provide alignment and keep the threads continuous from the bung to the original wishbone insert. | Once the bung was welded to the wishbone additional welding was done to taper the end. An 11/16”-18 OEM style rod end is used for the front wishbone mount. |
![]() | ![]() | This weld-on mount from Speedway makes attachment to the frame simple. |
| The rear radius rods are subjected to heavier loads so 3/4”-16 OEM style rod ends are used there | Weld-on Shock Eye for Tie Rod Shocks, Triangular Weld-on 5/8″ diameter tapered hole Required for mounting early Ford 1937-48 tie rod ends, 7° taper. This shock mount is: 2-1/8″ long at the base and 1/2” thick Overall height with rounded top is 1-9/16″ Center of shock hole is 7/8″ from base. 7° tapered hole in the middle (5/8″ diameter on big side, 9/16″ on small side | |
| Speedway also offers the split wishbone kit with spherical rod ends. Speedway Split Wishbone Kit With Spherical Rod Ends This kit includes 11/16″-18 weld-in bungs for the wishbones; jam nuts and 11/16″-18 heim joint rod ends. Heim accepts a 5/8″ bolt. Cutting & welding required. | |
The second choice when selecting a rod end is the spherical rod end.
Spherical rod ends, also referred to as the Heim Joint named after the inventor Lewis Heim who founded the Heim Bearing Company, can be used for these heavy-duty applications but are also used in linkages where the load is much lighter. They are available in a wide variety of sizes and construction, so you must choose the one designed for the application you intend to use it for. This can be quite a challenge because no one wants to be liable for anything that happens to you if the part they recommend is not proper for the application.
The sources that I used for spherical rod ends are placed in two categories:
1-Those primarily serving the aircraft and military / aerospace and industrial markets. This includes: Aurora Bearing Company and RBC Bearings / Heim.
2-Those who specialize in serving the automotive market. This includes: QA1, Speedway and DMP Fasteners / FK Rod Ends.
All of these sources were very helpful in supplying technical information and making recommendations for which rod end that I should use for a given application. However, they must deny any liability for anything that happens as a result of the use of the rod ends because they have no control over the way that you use them.
My roadster project uses both types of rod ends. The split wishbones utilize the standard OEM style rod ends. The tie rod, drag link Panhard bars and shock links all use heavy-duty spherical rod ends. I could have used the spherical rod ends for the split wishbones but the OEM style tie rod ends were part of the original PSI kit.
The original spherical rod ends for the tie rod, drag link and Panhard bars were all installed in the ‘70s, so they were replaced with new stainless heavy-duty rod ends because spherical rod ends have improved considerably in both strength and quality since then.
![]() | ![]() |
| The original rod ends that were installed on my roadster in the ‘70s had a lubrication hole in the shank and grease fitting in the side of the body, which makes them about 20% weaker than a rod end without them | |
![]() | This XM series spherical rod end from QA1 was used to replace the original rod ends in the tie rod, drag link and rear Panhard bar. | ![]() |

These light-duty spherical rod ends were supplied with the Lokar shifter kit so I didn’t need to make any changes there.
However, I was in the process of installing the front lever shocks so I needed to select rod ends to link them to the front suspension. To make that choice I had to learn more about rod ends and how to select the right ones for this application
First I went to the various web sites for the companies that sell rod ends and read their technical data, FAQs and articles that have been written about their products. Then I reviewed the offerings in their catalogs; noting the recommendations included with the item. Once I was familiar with what possible items would serve my purpose, I called their tech help / order assistance line and asked for their recommendations. Here is some of what I learned.
Spherical Rod Ends:
Most rod ends are manufactured utilizing one of two construction styles. They are of the two or three-piece type. Both types feature the advantages of metal-to- metal contact between bearing components (PTFE to metal interface may also be incorporated when specified).
The standard two-piece style consists of a body and precision ground oil impregnated sintered steel ball. This type of construction allows the rod end body to carry a greater radial static load and the oil-impregnated ball is self-lubricating under normal operating conditions. This unit also offers greater misalignment capabilities. A variety of material and plating options for the component parts in this series are available. Any cold- formable steel in stainless and alloy steel categories can be specified for the body, and all harden able alloys such as 52100 and 440 C stainless steel may be employed as options for the ball component.
The three-piece style consists of a body, ball, and race. This type of unit, offering fully swaged bearing construction, features the advantages of maximum spherical conformity between the ball and race. It also offers flexibility in that many different types of materials can be interchanged in each component part, providing combinations that can be tailored to meet just about any application requirement.
Lubrication:
Grease
Grease is oil that has synthetic filler, thickener, metallic soap, or a combination of the three added to prevent oil migration from the lubrication site. The operative properties of grease depend mostly on the base oil. Metal on metal spherical bearings are supplied with lubrication grooves and holes to provide the ability for lubrication. Metal on metal rod ends can be furnished with grease fittings along with the lubrication grooves and holes to allow for lubrication. These bearings could gall without frequent lubrication and a reversing load to keep the grease from being pushed out. In applications with one direction loading, the grease will tend to be squeezed out of the bearing area. These types of applications should be evaluated for the use of dry film or Teflon.
Teflon Liners
PTFE (bonded coated PTFE liner) lined races are available in all three-piece bearing units and all spherical bearings. The steel race has a self-lubricating liner; a PTFE impregnated woven fabric, chemically bonded to the inner diameter of the race.
![]() | ![]() | |
| Bearing Misalignment A rod end or spherical bearing’s ability to misalign is measured by the degree of angle the ball can accommodate without interference. The angle of misalignment in a rod end is limited by the ball width and head diameter. If added misalignment is necessary, this can be accomplished by utilizing spacers between the mounting surface and ball face. | Speedway Cone Spacers Cone spacers for obtaining maximum clearance on rod ends. 1″ O.D. Choose aluminum or steel with 1/2″ or 5/8″ hole. |
Tech Tip: When assembling a tube, each heim end adds approximately 1-1/2″ to the overall length (assuming the heim is screwed into the tube half way.) If you have a heim on each end of the tube, the tube will be approximately three inches longer overall.
Assembly Tip: To ease assembly, be sure to run a tap or die through the threads on chrome-plated fasteners and apply an anti-seize compound to prevent galling of the threads.
Answers to Frequently Asked Questions at Aurora Bearing:
Q—What is the minimum thread engagement required to support the advertised load ratings in the Aurora Bearing Company catalog?
A—The minimum thread engagement is 1.5 times the major thread diameter unless otherwise stated.
Q—What maintenance do I need to perform on my rod ends and spherical bearings to keep them operating properly?
A—For metal-to-metal rod ends and spherical bearings, a thin layer of grease applied occasionally to ball outside diameter will assist in extending the life of these products. Rod ends and spherical bearings that are Teflon lined are self-lubricating and are designed to be maintenance free and should not be lubricated.
Q—What is axial play (endplay)?
A—The measurement of the total range of movement of the ball inside the insert/body in the axial direction or the clearance measured along the axis of the ball bore.
Q—What is radial play?
A—The measurement of the total range of movement of the ball inside the insert/body in the radial direction or the clearance measured along the axis of the shank of the male or female body.
Creating links for the lever shocks
I could have used 3/8-inch size rod ends when creating the lever shock links, as they were strong enough for this application. However, when I looked at the specification charts included with the item in the catalog I found that the center-to-center measurement that I needed when combining a male and female rod end for the link was only available with a 7/16-inch combination
![]() | ![]() First the shock arms had to be modified by cutting off the pivot ball. |
A link was needed to connect the arm on the lever shock to the front suspension | |
![]() | ![]() |
| After removing the pivot ball, 7/16″ holes were drilled in the arms to accommodate bolting of the rod endsShock mounting tabs were cut from metal plate, drilled and bolted together so they could be ground and filed to their final shape |
![]() | ![]() | |
| The tabs were welded to the top of the spring perches to serve as lower mounts for the shock links. | An acetylene torch was used to heat the lever shock arms and realign them to the new shock mount tabs on the spring perches | |
![]() | ||
| Links were made up utilizing two female QA1 XF and two male QA1 XM rod ends. When the male and female rod ends were combined they created an adjustable link of the necessary length for the application. | ||
These were the rod ends that I chose (in various sizes) for the shock links, tie rod, drag link and Panhard bar.
QA1 Rod Ends
XF Rod Ends
2-Piece – Alloy Steel – Heat Treated Teflon® / Kevlar® Self-Lubricating Race, Right & Left Hand Threads
Ball
52100 Bearing Steel
Heat Treated
Hard Chrome Plated
Precision Ground
Race
Kevlar® Reinforced Nylon 12 with PTFE
Body
Alloy Steel
Heat Treated
Protective Coated for Corrosion Resistance
Exclusive Features
Metal to Metal Support for Heavy Shock Loads
Increased Cross-Sectional Thickness for Greater Tensile Strength
XM Rod Ends
2-Piece – Alloy Steel – Heat Treated Teflon® / Kevlar® Self-Lubricating Race, Right & Left Hand Threads
Ball
52100 Bearing Steel
Heat Treated
Hard Chrome Plated
Precision Ground
Race
Kevlar® Reinforced Nylon 12 with PTFE
Body
Alloy Steel
Heat Treated
Protective Coated for Corrosion Resistance
Exclusive Features
Metal to Metal Support for Heavy Shock Loads
Increased Cross-Sectional Thickness for Greater Tensile Strength
![]() | ![]() | |
| The finished installation connects the lever shocks to the front suspension and allows for some of the misalignment that takes place as the suspension moves up and down. | ||
![]() | ![]() | |
| Dog Bone Shock Links Stock early Ford lever shocks used links called dog bones, because of their shape, to connect the ball on the lever shock arm and a ball on the spring perch. They are available with the socket on opposite sides or both on the same side | Shock Link Ball If the ball mount is not present on one or both ends of the shock installation Speedway has this ball end stud that can be used in the installation of dog bone links. This ball is approximately 1/2″ outside diameter. The overall length is 1-3/4″. There is approximately 5/8″ of 3/8 fine threads. Hex wrench size 3/4″. | |
![]() | Speedway Seal-It Heim Seals These rod end seals are a neoprene rubber seal bonded to an aircraft quality washer. Extends the life of your rod ends by keeping the dirt, debris and moisture out of the spherical ball. They fit on both sides of the ball end of the heim joint and are sized to match the hole in the spherical ball. Not considered necessary on sealed spherical rod ends | |
![]() | ![]() | |
| Adjustable Tie Rod Adapter Stud to Heim This little adjustable tie rod adapter stud allows you to use 5/8″ rod ends instead of OEM tie rods. It also allows you to adjust steering geometry. Made of 4140 chrome moly and zinc coated. Choose from GM or Pinto. IMCA approved. GM: Stud is 5-1/8″ long Steering arm end has 7/16″ thread Tie rod end has 5/8″ thread and is 3″ long with 2-5/8″ of thread 10 degree taper Pinto: Stud is 4-13/16″ long Steering arm end has 1/2″ thread Tie rod end has 5/8″ thread and is 3″ long with 2-5/8″ of thread 7 degree taper | ||
![]() | ![]() | |
| Monroe Tie Rod Conversion Kit Converts any 1/2″ bearing end shocks to tie rod end, 7° taper | Round shock eye for use with Monroe tie rod conversion kit. Eye has a 1-1/4″ diameter and has a 7° inner taper. | |
Summary: There are a lot of variables to consider when selecting rod ends. The major manufacturers and suppliers can and will supply a lot of advice as to which rod end you should use for a given application, but the final decision is yours. Included here is a lot of information that I learned while utilizing a variety of rod ends on my roadster project. I have also shown a few other pieces that may help with your current project, but doing your own research before making the final choice is advised.





























